- Технические характеристики и другая информация предоставляются для справки.
- Чертежи и изображения представлены для ознакомления
Подшипниковый узел шариковый радиальный PCFTR 40 40 INA
Внимание: для уточнения актуальной цены, наличия и условий поставки рекомендуем обратиться к менеджеру отдела продаж. Отгрузка отдельных позиций может занимать от 2 рабочих дней, так как товары находятся на разных складах на территории РФ.
Условия заказа и доставки
- Продажи осуществляются только юридическим лицам
- Доставка в Санкт-Петербурге выполняется через ТК: СДЭК, Деловые Линии, Возовоз, Энергия
- Для небольших подшипников действует минимальная партия
- Счета выставляются от 5000 руб.
Подшипниковый узел шариковый радиальный PCFTR40 представляют собой конструкцию, в которую входит подшипник и подшипниковый корпус (изготавливается из стали, чугуна или других специализированных материалов), состоящий из пары и более составных деталей, привинченных к посадочной поверхности при помощи болтов. Подшипниковая часть включает в себя одну и более составляющие, закрепленные специальной втулкой или установленные прямо на ось. Для подачи смазки в обслуживаемых моделях корпус оборудован отверстиями и смазочной системой. От сора, пыли, грязи и химикатов устройство защищено уплотнителями. Чаще всего встречаются фланцевые, разъемные, цельные и натяжные системы.
В чем особенности Подшипниковый узел шариковый радиальный PCFTR40?
- Как правило, представляет собой единую систему, уже готовую к установке, быстро монтируемую и демонтируемую.
- Изготавливается такими известными во всём мире производителями, как LPZ, FAG, KOYO, NSK, SKF, SNR и другие.
- Отвечает уровню качества, предъявляемому стандартами ИСО, ГОСТ, американскими, немецкими и азиатскими производственными нормативами.
Срочно нужны Подшипниковый узел шариковый радиальный PCFTR40 ГОСТ или (аналог ISO)? Мы готовы предложить вам лучшую цену и достойное качество при покупке онлайн!
Технические характеристики
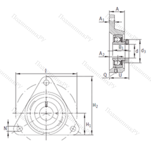
Обозначение : PCFTR40
Производитель : INA
Диаметр внутренний, мм : 40
Технические данные из каталога производителя :
Внутренний диаметр (d) - 40 мм.
Размер (U) - 51
Резьба (Q) - Rp1/8
Размер (d3) - 58 мм.
Размер (A) - 30 мм.
Размер (A1) - 16 мм.
Размер (B1) - 43,8 мм.
Размер (H1) - 51 мм.
Размер (H2) - 137 мм.
Размер (J) - 140 мм.
Размер (N) - 14 мм.
Размер (A2) - 18,3
Масса - 1,83 Кг
Грузоподъемность динамическая (C) - 32,5 кН
Грузоподъемность статическая (C0) - 19,8 кН
Количество дорожек качения - 1
Уплотнение - Есть
|
Производитель
|
INA |
|
Внутренний диаметр d
|
40 |
|
Размер
|
40 |
|
Вес, кг
|
1.83 |
|
Модель
|
PCFTR 40 |
|
SKU
|
PCFTR40-INA |
Похожие по размеру
Поставка Подшипниковый узел шариковый радиальный PCFTR 40 40 INA и других подшипников и комплектующих осуществляется для юридических лиц по безналичному расчету. Счета выставляются от 5000 руб. Для части малогабаритных подшипников действует минимальная партия заказа.
Вы можете оформить заказ через корзину сайта или отправить заявку в отдел продаж. После получения заявки менеджер проверит наличие, уточнит стоимость, сроки поставки и подготовит счет. Если требуется помощь с подбором подшипников, аналогов или уточнение технических параметров, менеджеры помогут подобрать подходящее решение.
Отправка заказов по России осуществляется транспортными компаниями:
- СДЭК
- Деловые Линии
- Возовоз
- Энергия
Менеджер согласует сроки отгрузки, стоимость доставки и передачу груза в транспортную компанию.
В связи с наличием нескольких складов срок отгрузки некоторых позиций может составлять от 2 рабочих дней.
Оплата производится по безналичному расчету на основании выставленного счета. Резервирование товара осуществляется после согласования заказа с менеджером отдела продаж.
Отправить запрос на подбор аналога
Гарантийные обязательства подтверждаются документами производителя и действуют при соблюдении условий хранения, монтажа и эксплуатации.
Что покрывает гарантия
Гарантия распространяется на заводские дефекты материалов и изготовления, несоответствие заявленным техническим характеристикам, а также поставку некомплектного изделия согласно спецификации. Факт дефекта подтверждается актом или заключением производителя либо сервисного центра. Срок гарантии определяется паспортом или каталогом производителя и составляет, как правило, до 12 месяцев с даты приёмки товара по УПД/накладной. По отдельным позициям срок может отличаться - уточняйте у менеджера при оформлении заказа.
Гарантия не распространяется на:
- механические и электрические повреждения, следы ударов и коррозии;
- нарушение условий хранения, монтажа, смазки или эксплуатации;
- следы вскрытия или вмешательства, установку нестандартных запчастей;
- повреждения из-за внешних факторов и форс-мажора.
Как обратиться по гарантии
Направьте письмо на info@podshipnikru.com с темой "Гарантия", укажите номер УПД/счёта, опишите дефект и приложите фото или видео. При необходимости изделие направляется на диагностику. Срок рассмотрения заявки - до 10 рабочих дней с момента получения полного пакета документов. По итогам принимается решение о ремонте, замене или возврате средств.
Возврат товара
Возврат товара надлежащего качества возможен по соглашению сторон при условии, что товар не был в эксплуатации, сохранены товарный вид, пломбы и комплектность. Возврат или обмен необходимо согласовать с менеджером до отправки. Доставка товара до нашего склада при возврате в Санкт-Петербурге осуществляется за счёт покупателя - стоимость транспортных расходов не компенсируется. Возвращается стоимость товара согласно документам поставки.
