Закрепляемые подшипники
Внимание: для уточнения актуальной цены, наличия и условий поставки рекомендуем обратиться к менеджеру отдела продаж. Отгрузка отдельных позиций может занимать от 2 рабочих дней, так как товары находятся на разных складах на территории РФ.
|
|||||
|
|||||
|
|||||
|
|||||
|
|||||
|
|||||
|
|||||
|
|||||
|
|||||
|
|||||
|
|||||
|
|||||
|
|||||
|
|||||
|
|||||
|
|||||
|
|||||
|
|||||
|
|||||
|
|||||
|
|||||
|
|||||
|
|||||
|
В каталоге нашей компании, в ассортименте реализуемой продукции, представлены закрепляемые подшипники.
Общая информация о товаре
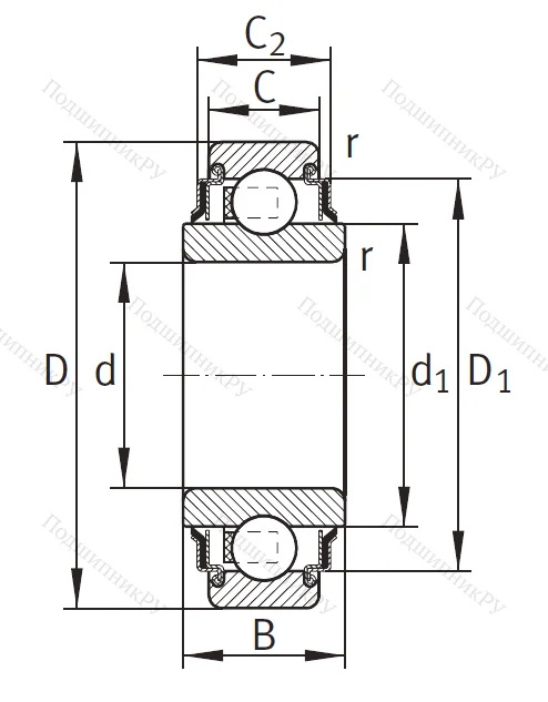
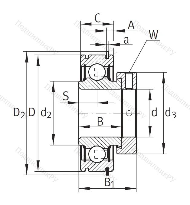
Настоящая продукция представляет однорядные подшипники с шариковыми телами качения, используемые в качестве элементов разных опор. Они весьма удобны в монтаже и легко снимаются (при необходимости).
В нашей компании заказчикам предлагаются модели, различающиеся:
- поверхностью внешней обоймы (плоская - цилиндрического типа, выпуклая - сферического типа);
- способами фиксации на валу;
- установленными уплотнениями.
Изделия полностью готовы для монтажа. Модели со сферическими наружными обоймами предназначены для установки в посадочные отверстия корпусов, поверхность которых выполнена в форме вогнутой сферы. Это обеспечивает данным подшипникам способность к самоустановке. И позволяет компенсировать незначительные прогибы и перекосы валов.
В рассматриваемую группу входят обслуживаемые и необслуживаемые подшипники
Конструктивно данные изделия состоят из следующих элементов:
- массивную внешнюю обойму;
- уширенную (односторонне или двухсторонне) внутреннюю обойму;
- стальной или пластиковый сепаратор;
- шариковые тела качения.
В зависимости от модели, подшипник фиксируется на валу разными способами (мы реализуем изделия с любым из упомянутых вариантов):
- втулки закрепительные (заказываются и приобретаются отдельно);
- пазы поводковые;
- эксцентриковые фиксирующие кольца;
- резьбовые штифты, предусматривающие фиксацию через специальное отверстие во внутренней обойме.




















