- Технические характеристики и другая информация предоставляются для справки.
- Чертежи и изображения представлены для ознакомления
Подшипник шариковый закрепляемый GYE 16-KRR-B
Подшипник шариковый закрепляемый GYE16-KRR-B его строение включает в себя наружную шину, тела качения, сепаратор из штампованной стали, латуни или полиамида, центрирующийся по шарикам либо бортикам внешнего кольца. Устройство является неразборным и полностью готово к монтажу. Существуют также обслуживаемые и необслуживаемые варианты (в первом случае в корпусе детали имеется специальное смазочное отверстие, через которое происходит подача смазки, расходуемой в процессе работы). Закрытые модели дополнительно усилены уплотняющими шайбами или уплотнениями и не требуют обслуживания. В изделии также могут присутствовать узкие, широкие и средние зазоры.
Каковы характерные особенности Подшипник шариковый закрепляемый GYE16-KRR-B?
- Рассчитан на восприятие серьезных аксиальных и незначительных осевых нагрузок.
- Обладает низким коэффициентом трения, за счет чего возможно вращение на максимально допустимых скоростях и более длительный срок эксплуатации в сравнении с аналогами.
- Отличается высокой грузоподъемностью и склонностью к самоцентрированию, что дает возможность выравнивать перекосы во время монтажа.
Приобретайте выгодно Подшипник шариковый закрепляемый GYE16-KRR-B ГОСТ или его (аналоги ISO), а также иную продукцию от мировых промышленных брендов FAG, KOYO, NSK, SKF, SNR на нашем веб-сайте!
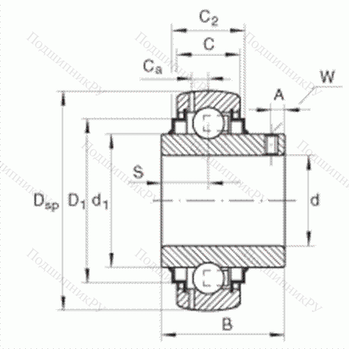
Технические характеристики
Обозначение : GYE16-KRR-B
Размеры, мм : 16x40x27.4
Производитель : INA
Диаметр внутренний, мм : 16
Диаметр наружный, мм : 40
Высота, мм : 27,4
Технические данные из каталога производителя :
d - 16 mm
DSP - 40 mm
B - 27,4 mm
A - 4 mm
C - 12 mm
C2 - 16,6 mm
Ca - 3,4 mm
D1 - 31,6 mm
d1 - 23,9 mm
S - 11,5 mm
W - 2,5 mm
m - 0,09 kg / Вес
Cr - 10100 N / динамическая грузоподъемность, радиальная
C0r - 4750 N / статическая грузоподъемность, радиальная
- 6203 / Референсные подшипники для определения эквивалентных нагрузок.
сферическое наружное кольцо, фиксация резьбовыми штифтами, двусторонние R-уплотнения
|
Производитель
|
INA |
|
Ширина B
|
27 |
|
Внешний диаметр D
|
40 |
|
Внутренний диаметр d
|
16 |
|
Размер
|
16x40x27 |
|
Вес, кг
|
0.09 |
|
Модель
|
GYE16-KRR-B-INA |
|
SKU
|
GYE16-KRR-B-INA |
Похожие по размеру
Оформить заказ на нашем сайте легко. Просто добавьте выбранные товары в корзину, а затем перейдите на страницу Корзина, проверьте правильность заказанных позиций и нажмите кнопку «Оформить заказ» или «Быстрый заказ».
Функция «Быстрый заказ» позволяет покупателю не проходить всю процедуру оформления заказа самостоятельно. Вы заполняете форму, и через короткое время вам перезвонит менеджер магазина. Он уточнит все условия заказа, ответит на вопросы, касающиеся качества товара, его особенностей. А также подскажет о вариантах оплаты и доставки.
По результатам звонка, пользователь либо, получив уточнения, самостоятельно оформляет заказ, укомплектовав его необходимыми позициями, либо соглашается на оформление в том виде, в котором есть сейчас. Получает подтверждение на почту или на мобильный телефон и ждёт доставки.
Если вы уверены в выборе, то можете самостоятельно оформить заказ, заполнив по этапам всю форму.
Выберите из списка название вашего региона и населённого пункта. Если вы не нашли свой населённый пункт в списке, выберите значение «Другое местоположение» и впишите название своего населённого пункта в графу «Город». Введите правильный индекс.
В зависимости от места жительства вам предложат варианты доставки. Выберите любой удобный способ.
Оплата
Выберите оптимальный способ оплаты.
Введите данные о себе: ФИО, адрес доставки, номер телефона. В поле «Комментарии к заказу» введите сведения, которые могут пригодиться курьеру, например: подъезды в доме считаются справа налево.
Проверьте правильность ввода информации: позиции заказа, выбор местоположения, данные о покупателе. Нажмите кнопку «Оформить заказ».
Наш сервис запоминает данные о пользователе, информацию о заказе и в следующий раз предложит вам повторить к вводу данные предыдущего заказа. Если условия вам не подходят, выбирайте другие варианты.
